หลายคนเมื่อเวลาใช้งาน autocad คงจะรำคาญใจไม่น้อยเวลา select obj เมื่อมีกล่องแสดง details obj ออกมา วันนี้เรามาปิดกันดีกว่า
มีอยู่ 2 วิธี ด้วยกัน
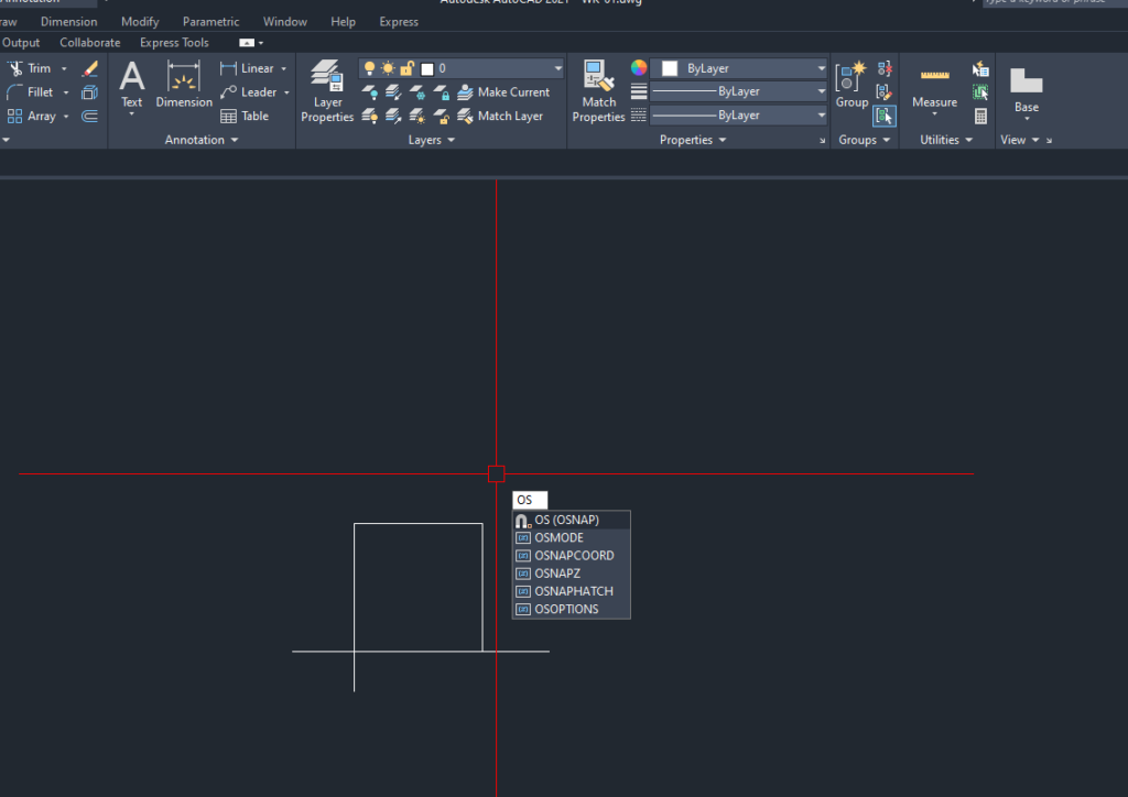
วิธีที่ 1 วิธีปิด Quick Properties (AutoCAD)
1. ให้พิมพ์ os แล้วไปที่เมนู quick properties
2. เอา Check Box ออกหน้า Display the Quick Properties ออก
จบปิ้ง
วิธีที่ 2 วิธีปิด Quick Properties (AutoCAD)
-
- พิมพ์คำสั่ง QPMODE ลงใน Command Line
- ใส่ค่า 0 (ศูนย์) เพื่อปิดการใช้งาน (ค่า 1 คือเปิด, 2 คือเปิดแบบแสดงรายละเอียดทั้งหมด)
- กด Enter

เวลาใช้งาน autocad คงจะรำคาญใจไม่น้อยเวลา select obj เมื่อมีกล่องแสดง details obj ออกมา / วิธีปิด Quick Display Properties

1. ให้พิมพ์ os แล้วไปที่เมนู quick properties

2. เอา Check Box ออกหน้า Display the Quick Properties ออก
วิธีที่ 2 วิธีปิด Quick Properties (AutoCAD)

1. พิมพ์คำสั่ง QPMODE ลงใน Command Line

2. ใส่ค่า 0 (ศูนย์) เพื่อปิดการใช้งาน (ค่า 1 คือเปิด, 2 คือเปิดแบบแสดงรายละเอียดทั้งหมด)