Wednesday, 29 April 2026

การใช้คำสั่ง Fillet (F) ใน AutoCAD

09 Mar 2026
105

การใช้คำสั่ง Fillet (F) ใน AutoCAD ใช้สำหรับทำมุมโค้งหรือเชื่อมเส้น 2 เส้นเข้าด้วยกัน โดยพิมพ์ F แล้วกด Enter -> เลือก Radius (R) เพื่อใส่ค่ารัศมี -> เลือกเส้นที่ 1 และเส้นที่ 2 เพื่อสร้างส่วนโค้ง สามารถใช้ทำมุมฉาก (Radius=0) หรือมุมโค้งมนบน 2D และ 3D ได้

ขั้นตอนการใช้งาน Fillet:
พิมพ์ F แล้วกด Enter หรือ Space bar (หรือคลิกไอคอน Fillet ในแถบ Modify)
ตั้งค่ารัศมี: พิมพ์ R -> กด Enter -> ใส่ค่ารัศมี (Radius) -> กด Enter
เลือกวัตถุ: คลิกเส้นแรก และคลิกเส้นที่สอง
โปรแกรมจะสร้างส่วนโค้ง (Arc) เชื่อมทั้งสองเส้นให้โดยอัตโนมัติ

1. พิมพ์ F แล้วกด Enter หรือ Space bar (หรือคลิกไอคอน Fillet ในแถบ Modify)

1. พิมพ์ F แล้วกด Enter หรือ Space bar (หรือคลิกไอคอน Fillet ในแถบ Modify)

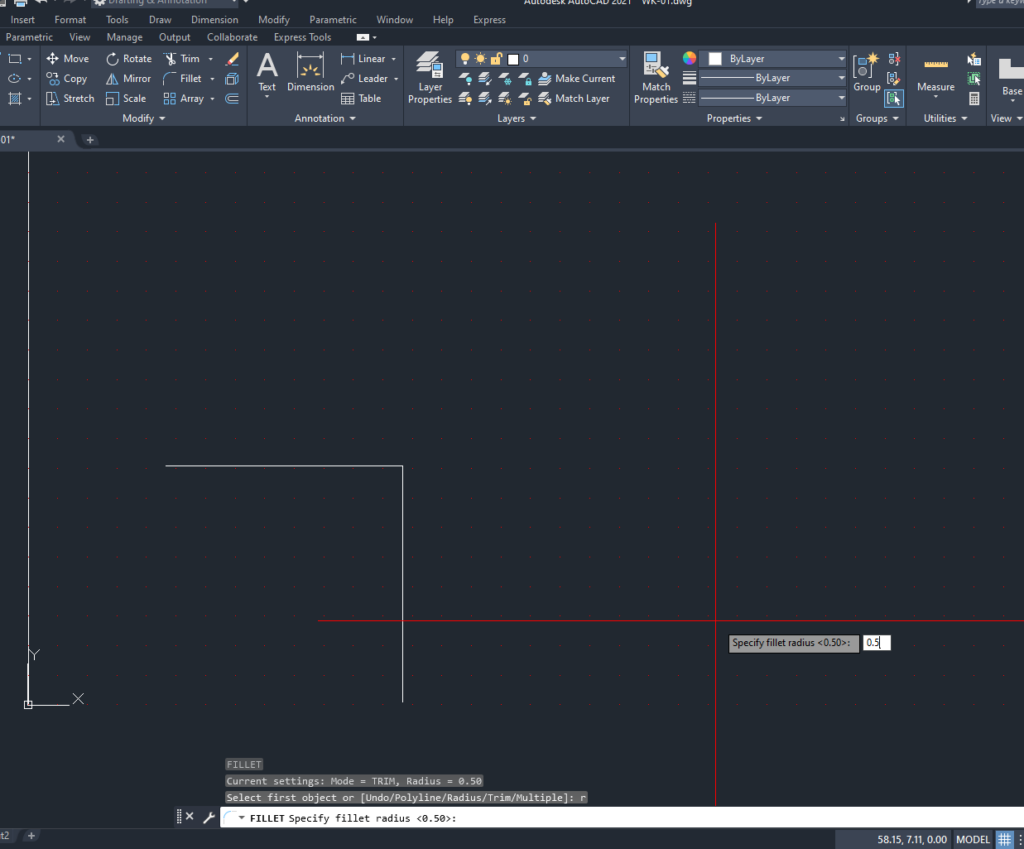
2. ตั้งค่ารัศมี พิมพ์ R กด Enter หรือ Space bar ใส่ค่ารัศมี (Radius) เช่น 0.5 กด Enter

2. ตั้งค่ารัศมี พิมพ์ R กด Enter หรือ Space bar ใส่ค่ารัศมี (Radius) เช่น 0.5 กด Enter

3. ใส่ค่ารัศมี (Radius) เช่น 0.5 กด Enter

3. ใส่ค่ารัศมี (Radius) เช่น 0.5 กด Enter

4. คลิกเส้นแรก และคลิกเส้นที่สอง เชื่อมทั้งสองเส้นให้โดยอัตโนมัติ

4. คลิกเส้นแรก และคลิกเส้นที่สอง เชื่อมทั้งสองเส้นให้โดยอัตโนมัติ